No.6
2009/04/18 (Sat) 02:22:25
はい。第一回作ってみようのコーナーです(笑)
今回はLEDネオンでも作ってみましょうかね(・∀・)
今回はLEDネオンでも作ってみましょうかね(・∀・)
まず、こちらが完成品取り付け写真

モデルはKRC No,2レーサー所有のHONDA HORNET250
CBRと兄弟ですね。
はいそこ!!やからとか言わない!!
※やから=たちの悪い人w
ネタチューンで通常時はスイッチで消灯できるようにしてあります。
ちなみに、僕の個人的趣味で点滅もできるようにしてあります(笑)
そしてこちらが、完成品の写真

本体は配線カバーにLED組み込んであります。
今回はこちらの作り方でも紹介しようかなと。
電子工作やったことない人
でもできるだけわかるように書いてみようと思うのでどうぞ、お付き合いください。
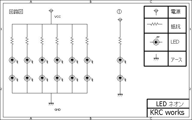
まずは、回路図を

結構簡単な回路でしょ?
ちなみに記号の説明も右側に書いてあります。
あと、抵抗値を書いてないのは自分で好きな値にしてもらおうと思って、あえて書いてません
まず、①の回路図を見ていただきまして、
電源→抵抗→LED→LED→アース
となってます。
LEDは電気を流せば流す分だけ明るく光りますが、
ある一定値以上を超えると壊れます。
これを最大定格電流と言います。
基本的にはこの値の75%以下で使うんですが、
20mA以下で使うと覚えておけばここでは大丈夫(´・ω・`)b
もう少し流しても大丈夫だったりしますが安全策です。
んで、この値を超えないように電流を制限してるのが抵抗。
では、次にこの抵抗の値の決め方。
中学や、高校で習ったと思いますがオームの法則を使います。
| ̄ ̄ ̄ ̄ ̄ ̄ ̄ ̄| V=電圧
| V=I・R | I=電流
|________| R=抵抗値
∧∧ ||
( ゚д゚)||
/ づΦ
これ。
では、さっそく求めてみましょうか。
抵抗値を決めたいんだから
R=V/I
ほとんどのバイクは電圧が12V
わかりやすく電流は20mA=0.02Aで計算
式に当てはめると
R=12/0.02
R=600
ということでLEDに20mA流そうと思うと600Ωの抵抗をつければいい!!
ってなるんですが、ここに罠があります。
実際にこれで抵抗をつけると10mAしか流れません。
実はLEDやダイオードには電圧降下と言って電気を流すと電圧が下がる特性があるんです。
その分を抵抗にかかるLEDの数の分だけ引いてやる必要があります。
青色LEDならだいたい3~3.3V
赤色や黄色なら2~2.3Vくらい。
んで、これを踏まえて
電圧=12V
電流=20mA
青色LEDで電圧降下は3Vで計算すると、
R=12-3・2/0.02
R=6/0.02
R=300
ということで、300Ωの抵抗をつけてやればオーケー(・∀・)
ここまでは大丈夫かな?
わからない人はコメントください。
あとは、組んでいくだけ!!
ワンポイントとしては防水対策にエポキシ樹脂流し込んでおくことかな。
皆様もレッツD.I.Y!!
モデルはKRC No,2レーサー所有のHONDA HORNET250
CBRと兄弟ですね。
はいそこ!!やからとか言わない!!
※やから=たちの悪い人w
ネタチューンで通常時はスイッチで消灯できるようにしてあります。
ちなみに、僕の個人的趣味で点滅もできるようにしてあります(笑)
そしてこちらが、完成品の写真
本体は配線カバーにLED組み込んであります。
今回はこちらの作り方でも紹介しようかなと。
電子工作やったことない人
でもできるだけわかるように書いてみようと思うのでどうぞ、お付き合いください。
まずは、回路図を
結構簡単な回路でしょ?
ちなみに記号の説明も右側に書いてあります。
あと、抵抗値を書いてないのは自分で好きな値にしてもらおうと思って、あえて書いてません
まず、①の回路図を見ていただきまして、
電源→抵抗→LED→LED→アース
となってます。
LEDは電気を流せば流す分だけ明るく光りますが、
ある一定値以上を超えると壊れます。
これを最大定格電流と言います。
基本的にはこの値の75%以下で使うんですが、
20mA以下で使うと覚えておけばここでは大丈夫(´・ω・`)b
もう少し流しても大丈夫だったりしますが安全策です。
んで、この値を超えないように電流を制限してるのが抵抗。
では、次にこの抵抗の値の決め方。
中学や、高校で習ったと思いますがオームの法則を使います。
| ̄ ̄ ̄ ̄ ̄ ̄ ̄ ̄| V=電圧
| V=I・R | I=電流
|________| R=抵抗値
∧∧ ||
( ゚д゚)||
/ づΦ
これ。
では、さっそく求めてみましょうか。
抵抗値を決めたいんだから
R=V/I
ほとんどのバイクは電圧が12V
わかりやすく電流は20mA=0.02Aで計算
式に当てはめると
R=12/0.02
R=600
ということでLEDに20mA流そうと思うと600Ωの抵抗をつければいい!!
ってなるんですが、ここに罠があります。
実際にこれで抵抗をつけると10mAしか流れません。
実はLEDやダイオードには電圧降下と言って電気を流すと電圧が下がる特性があるんです。
その分を抵抗にかかるLEDの数の分だけ引いてやる必要があります。
青色LEDならだいたい3~3.3V
赤色や黄色なら2~2.3Vくらい。
んで、これを踏まえて
電圧=12V
電流=20mA
青色LEDで電圧降下は3Vで計算すると、
R=12-3・2/0.02
R=6/0.02
R=300
ということで、300Ωの抵抗をつけてやればオーケー(・∀・)
ここまでは大丈夫かな?
わからない人はコメントください。
あとは、組んでいくだけ!!
ワンポイントとしては防水対策にエポキシ樹脂流し込んでおくことかな。
皆様もレッツD.I.Y!!
PR
この記事にコメントする
プロフィール
HN:
リョウ@KRC
年齢:
36
性別:
男性
誕生日:
1989/03/11
趣味:
バイク、読書
カテゴリー
ミク時計
リン
アクセス解析